


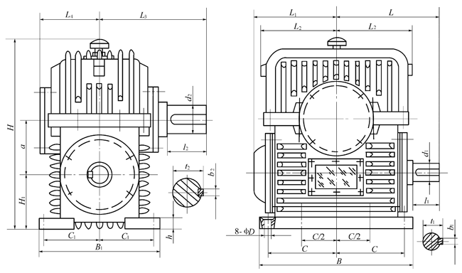
|
a
|
H1
|
B
|
B1
|
C
|
C1
|
D
|
H
|
L
|
L1
|
L2
|
L3
|
L4
|
L5
|
d1
|
b1
|
t1
|
l1
|
d2
|
b2
|
t2
|
l2
|
h
|
|
80
|
100
|
250
|
190
|
112
|
80
|
14
|
315
|
160
|
160
|
125
|
180
|
100
|
90
|
25
|
8
|
28
|
42
|
45
|
14
|
48.5
|
82
|
30
|
|
100
|
112
|
300
|
236
|
130
|
100
|
16
|
355
|
200
|
200
|
160
|
212
|
125
|
118
|
32
|
10
|
35
|
58
|
55
|
16
|
59
|
82
|
35
|
|
125
|
125
|
355
|
280
|
160
|
125
|
18
|
450
|
236
|
236
|
190
|
250
|
150
|
140
|
38
|
10
|
41
|
58
|
65
|
18
|
69
|
105
|
38
|
|
140
|
140
|
400
|
315
|
180
|
140
|
20
|
500
|
265
|
265
|
212
|
280
|
160
|
160
|
42
|
12
|
45
|
82
|
70
|
20
|
74.5
|
105
|
40
|
|
160
|
160
|
450
|
355
|
200
|
160
|
21
|
560
|
300
|
300
|
236
|
315
|
190
|
180
|
48
|
14
|
51.5
|
82
|
80
|
22
|
85
|
130
|
42
|
|
180
|
180
|
500
|
400
|
225
|
180
|
22
|
630
|
335
|
335
|
265
|
355
|
212
|
200
|
56
|
16
|
60
|
82
|
90
|
25
|
95
|
130
|
45
|
|
200
|
200
|
560
|
450
|
250
|
200
|
24
|
710
|
355
|
355
|
300
|
400
|
236
|
224
|
60
|
18
|
64
|
105
|
100
|
28
|
106
|
165
|
50
|
|
225
|
225
|
630
|
500
|
280
|
225
|
26
|
800
|
400
|
400
|
315
|
450
|
265
|
250
|
65
|
18
|
69
|
105
|
110
|
28
|
116
|
165
|
53
|
|
250
|
250
|
670
|
530
|
300
|
250
|
28
|
850
|
450
|
450
|
355
|
500
|
280
|
280
|
70
|
20
|
74.5
|
105
|
125
|
32
|
132
|
165
|
56
|
|
280
|
280
|
800
|
600
|
355
|
280
|
30
|
950
|
475
|
475
|
400
|
560
|
315
|
315
|
85
|
22
|
90
|
130
|
140
|
36
|
148
|
200
|
60
|
|
315
|
315
|
900
|
670
|
375
|
315
|
32
|
1060
|
560
|
560
|
450
|
630
|
355
|
355
|
90
|
25
|
95
|
130
|
150
|
36
|
158
|
200
|
67
|
|
355
|
355
|
1000
|
750
|
425
|
355
|
35
|
1250
|
670
|
670
|
500
|
710
|
400
|
400
|
100
|
28
|
106
|
165
|
170
|
40
|
179
|
240
|
75
|


|
a
|
H1
|
B
|
B1
|
C
|
C1
|
D
|
H
|
L
|
L1
|
L2
|
L3
|
L4
|
d1
|
b1
|
t1
|
l1
|
d2
|
b2
|
t2
|
l2
|
h
|
|
400
|
355
|
900
|
800
|
400
|
355
|
35
|
1250
|
600
|
600
|
450
|
630
|
375
|
110
|
28
|
116
|
165
|
180
|
45
|
190
|
240
|
55
|
|
450
|
400
|
1000
|
900
|
450
|
400
|
39
|
1400
|
670
|
670
|
500
|
710
|
425
|
125
|
32
|
132
|
165
|
200
|
45
|
210
|
280
|
60
|
|
500
|
450
|
1120
|
1000
|
500
|
450
|
42
|
1600
|
750
|
750
|
560
|
800
|
475
|
130
|
32
|
137
|
200
|
220
|
50
|
231
|
280
|
65
|
|
560
|
500
|
1250
|
1120
|
560
|
500
|
45
|
1800
|
850
|
850
|
630
|
900
|
530
|
150
|
36
|
158
|
200
|
250
|
56
|
262
|
330
|
72
|
|
630
|
560
|
1400
|
1250
|
630
|
560
|
48
|
2000
|
950
|
950
|
710
|
1000
|
600
|
170
|
40
|
179
|
240
|
280
|
63
|
292
|
380
|
80
|
|
710
|
630
|
1600
|
1400
|
710
|
630
|
52
|
2240
|
1060
|
1060
|
800
|
1250
|
670
|
190
|
45
|
200
|
280
|
320
|
70
|
334
|
380
|
88
|

冀公網(wǎng)安備13092802000153號(hào)